Пневматичен уплътнител за прът/чистач A852 14x24x10.4 PU92
-
Код:54014024104
-
Тегло:0.000 кг
A852 е еднодействащ комбиниран пневматичен прътов уплътнител/чистач, чиято функция в пневматичния цилиндър е да уплътнява, почиства и фиксира.
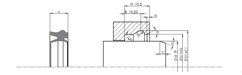
Размери на уплътнението: d=14 mm D=24 mm h=10.4 mm
|
ТЕХНИЧЕСКИ ДАННИ |
|
|
Стандартни материали |
PU |
|
Работно налягане |
16 bar |
|
Скорост на приплъзване |
1.0 m/s |
|
Работна температура |
-30 +80 °C |
|
Материал |
PU 92 |
|
Работна среда |
сух или омазнен компресиран въздух |
|
Грапавост на повърхността |
|
|
|
Rmax |
|
Работна повърхност |
≤ 4 μm |
|
Основа на жлеба |
≤ 10 μm |
|
Стени на жлеба |
≤ 15 μm |
